Terug
Assortiment Assortiment
Voor 17.30 besteld, morgen in huis*
6 dagen per week geopend
Iedere werkdag bereikbaar van 07.00 - 17.30 uur

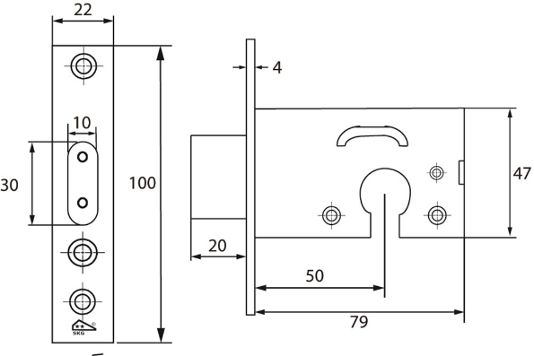
DX Insteek-veiligheids-nachtschootslot voor Euro profielcilinder bijzetslot skg** rvs 7000

Product beschrijving
Voor het extra veilig afsluiten van uw woning gebruikt u dit SKG** gekeurde stalen insteekbijzetslot voor EURO profielcilinders. Het grote voordeel van dit slot met uitsparing voor een profielcilinder is dat u zowel voor uw bestaande hoofdsloten als bijzetsloten gelijksluitende profielcilindersloten kunt gebruiken, zodat u maar één sleutel nodig heeft. Een insteekbijzetslot wordt als aanvullende beveiliging gebruikt op stompe houten voor- en achterdeuren, die overal in de woningbouw worden gebruikt. Zo worden insteekbijzetsloten toegepast in eengezinswoningen, maar ook in gedeelde woningen als studentenhuizen of appartementencomplexen.

Een insteekslot kenmerkt zich doordat hij, in tegenstelling tot een opleg-bijzetslot, wordt ingelaten in de deur. Voor de voorplaat heeft u de keuze uit rechte of ronde hoeken. Na montage is de deur zowel aan de binnenkant als aan de buitenkant te vergrendelen, waarbij u niet bang hoeft te zijn dat u buitengesloten wordt. Dit bijzetslot beschikt namelijk niet over een dagschoot, waardoor voor ver- of ontgrendeling altijd de sleutel nodig is.

Wanneer u een minimaal SKG** Euro profielcilinder in dit insteek-bijzetslot monteert voldoet dit product aan alle eisen om binnen het Politie Keurmerk Veilig Wonen (PKVW) toegepast te worden.
Voor het extra veilig afsluiten van uw woning gebruikt u dit SKG** gekeurde stalen insteekbijzetslot voor EURO profielcilinders. Het grote voordeel van dit slot met uitsparing voor een profielcilinder is dat u zowel voor uw bestaande hoofdsloten als bijzetsloten gelijksluitende profielcilindersloten kunt gebruiken, zodat u maar één sleutel nodig heeft. Een insteekbijzetslot wordt als aanvullende beveiliging gebruikt op stompe houten voor- en achterdeuren, die overal in de woningbouw worden gebruikt. Zo worden insteekbijzetsloten toegepast in eengezinswoningen, maar ook in gedeelde woningen als studentenhuizen of appartementencomplexen.

Een insteekslot kenmerkt zich doordat hij, in tegenstelling tot een opleg-bijzetslot, wordt ingelaten in de deur. Voor de voorplaat heeft u de keuze uit rechte of ronde hoeken. Na montage is de deur zowel aan de binnenkant als aan de buitenkant te vergrendelen, waarbij u niet bang hoeft te zijn dat u buitengesloten wordt. Dit bijzetslot beschikt namelijk niet over een dagschoot, waardoor voor ver- of ontgrendeling altijd de sleutel nodig is.

Wanneer u een minimaal SKG** Euro profielcilinder in dit insteek-bijzetslot monteert voldoet dit product aan alle eisen om binnen het Politie Keurmerk Veilig Wonen (PKVW) toegepast te worden.
Lees verder
Product specificaties
Attribuut naamAttribuut waarde
kleur (basis)zwart
bewerking (oppervlaktebehandeling)gelakt
slotbedieningprofielcilinder
model (slot/vergrendeling)insteekcilinderslot (bijzetslot)
model (voorplaat)rechte hoek(en)
Kleurzwart
kleurzwart
keurmerkSKG**

DX Insteek-veiligheids-nachtschootslot voor Euro profielcilinder bijzetslot skg** rvs 7000

Artikelnummer: 1243592
EAN-nummer: 8714140120154
Fabrikant artikel nummer: 0160.299.7700
Beschikbaarheid: Niet op voorraad
Product specificaties
Attribuut naamAttribuut waarde
kleur (basis)zwart
bewerking (oppervlaktebehandeling)gelakt
slotbedieningprofielcilinder
model (slot/vergrendeling)insteekcilinderslot (bijzetslot)
model (voorplaat)rechte hoek(en)
Kleurzwart
kleurzwart
keurmerkSKG**